(K21)KP6mini ジェネカバTRX HF+50MHz SSB/CW/AM  

UP dated 2026.01.26 

● (K21)KP6mini ジェネカバTRX HF+50MHz SSB/CW/AM + (OP-19) 6バンド HFトランシーバー10W

先にキット化した(K20)KP6mini+(OP18)TXminiでは、出力3Wでしたが、本キットでは、受信IF段増幅を1段追加し(K21)キットとし、また送信部では、(OP19)を、終段にRD06HHF1xプッシュプルリニアとして 出力10Wとしました。

  (K21)では受信部増幅のみの変更で、TX部系統は、(K20)とまったく同じなので、親基板(K20)+送信部(OP19)でも10W出力になります。

親基板(K21)+TX基板(OP19)の 10Wトランシーバ外観。 右写真;(K21)KP6mni基板100x130mm。この基板の下側に(OP19)TXmini10W

仕様
 外形寸法 MB12-8-18(120Wx175Dx75H)
 重量 910g

 周波数範囲 ジェネカバ受信バンド 0.5MHz-30MHz + 50MHz
        送受信6バンド 7M 10M 14M 18M 21M 28M 
        (LPFは基板に3回路あり、3.5-50MHzの任意の3バンドを組み込めます)

 送信出力 10W  ((K21)単体基板出力;2mW を(OP-19)で10Wに増幅)
 アンテナインピーダンス 50Ω不平衡、 BNCジャック
 電波形式 A1A(CW) , J3E(LSB/USB)、AM(出力は、1/4になります)
 周波数ステップ 最小50Hz および 0.5kHz, 9kHz, 10kHz

 定格電圧 13.5VDC (回路を一部変更することで 19VDCで使用できます。その場合は、出力は約15W)
 消費電流 13.5VDC受信時 0.3A
     13.5VDC送信10W出力時 2A 、

 受信感度 0.25uV(-120dBm)以上  AMは、3uV程度
 送信スプリアス強度 -50dBc以下

 第1中間周波数; 64MHz 、第2IF;12MHz
 Filter帯域(-6dB) 2.4kHz(SSB/CW) ,5.5kHz(AM)

 Local OSC; PLL-IC, Si5351a/内部分周比1/8 により 64.5MHz〜118MHz 


試作機は、タカチMB12-8-18(120Wx175Dx75H)に (K21)と(OP-19)を組み込みました。外部電源として 13.5Vx3A電源を準備します。 

下左写真;親基板(K21)アルミ底板のヒンジをはねあげで調整(両基板間のケーブルは接続したままなので、このまま通電調整ができる)   
右写真;(K21)親基板下に(OP19)TXリニアがある 

 
KP6miniを TXとして動作させたとき、および ゼネカバ受信機の系統図は、下図のとおりです。
(K20)と比べ、(K21)KP6miniでは、IF12MHz増幅段に2SK302(2SK241 SMD版)を追加。送信系統はほぼ同一です。

  (OP-19)TXminiは、終段を RD06HHF1x2 プッシュプルアンプ(PP)としました。PPにすると、その特性として第2高調波レベルは下がり、ほぼ-30dBcを達成するので、LPFの構成が楽になります。[7M,10M]、[14M,18M]、[21M,28M]それぞれ共用LPF 3組 で構成し、各バンドの高調波レベルは、-50dBc以下を維持します。

 ただし、[7M,10M]のLPFは、一番きびしく、7MHzの2倍高調波レベルは、-50dBcぎりぎりです。10MHzバンドに重きを置かない場合は、LPF遮断周波数を少し下げると、7MHzの2倍高調波レベルを下げることができます。

・(K21)KP6mini ジェネカバTRX HF+50MHz SSB/CW/AM 6バンド KITをご入用の方は、◇PICの頒布のページをご覧ください。
(K21)KITのみでの出力は、2mWですが、(OP-19)KP6miniTXリニアを追加して、出力10Wとなります。

●KP6miniV1 HF6バンドSSB/CW/AMトランシーバーの概要と性能

 (K19)KP6miniの「トランシーバーの概要と性能」を参照してください。スキップ

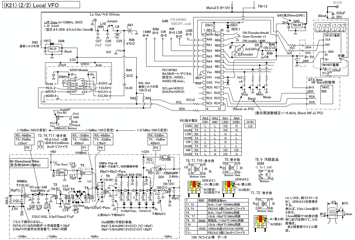
●(K21)KP6mini ジェネカバTRX部回路図

回路図は2枚に分かれていますが、この2枚分回路が、1枚の基板100x133mmに配置されています。
もとの基板は、100x100mm と100x33mmに分かれていますので、その2枚をハンダ結合して、100x133mmとします。

●特色のある個別回路の説明、製作留意点

(K19)KP6miniの「説明、製作留意点の DDS3逓倍局発の記事以外」を参照してください。スキップ
(K20)KP6miniの「説明、製作留意点」も参照してください。スキップ

 ●Sメーター &パワーメータ

基板外に 下図の回路を追加すると、Sメーター &パワーメータとなります。手持ちのラジケータ220uAを使いました。 
受信時には、フォトモスリレーAQV252の内部LEDを1mAで点灯させ、ピン4〜6間を導通状態にします。送信時は、LED点灯がOFFとなりますので、ピン4〜6間は、両方向電流を遮断し、送信機LPF入口のRF電圧で メータを振らせます。

SGより信号を入れて、メータのS目盛りを校正したところ、下図のとおりで、S5以下ではメータは振れず、約40%電流で S9となり、S9+10dBとの間に大きく間の空いたような目盛りとなりました。 通常の市販リグの目盛りとは大きく異なるようです。

 AQV252(またはAQV254A-DIP足平型)は、若干の余剰手持ちがありますので、希望者には頒布します。キット注文時に注記ください。

 ●IF 12MHz 受信3段増幅 異常発振防止

IF 12MHz 3段増幅は、発振防止に最善を尽くして パターン配置をしたが、
結果として、IFトランス・ダンピング抵抗なしでは、発振防止ができなかった。

    最終ダンピング抵抗値 T7;10kΩ, T8;2.4kΩ(試作機;3.2k), T9;抵抗なし
それでも、これらダンピング抵抗のみでは、少し発振気味であった。 

 その後、写真のように 裏面にQ4,Q5のSMD 2SK302が配置されている箇所のその表側に 3x7mm x0.1t銅板シールドを半田付けすると 異常発振は収まることもあった。
  念のためにと思い、PCB表パターンに 半田付けできるGNDパターンを準備しておいたので、それが役に立った。

 SMD 2SK302 のドレイン〜ゲート間の浮遊容量の影響と、送信信号ラインのD2;1N4148 のリード線がアンテナとなり〜Q5 2SK302 ドレインからの 信号の正帰還により 発振していたものと思われる。
///////////
 その後のあちこち試行錯誤の結果、T8のダンピング抵抗は、4.7kではだめで、3.2k以下(4.7k+10kパラ)とすると、うそのように安定した。T9のダンピングは不要となった。どうもQ5 2SK302のゲートインピーダンスが高すぎて異常発振していたのが主要因だったようだ。
////////////

写真では未施工だが、更に、D2;1N4148本体前後リード線を含み、それら周囲をシールド板で囲むとなお良いと思う。



 ●Q7 NE602 キャリア発生レベル、音声変調レベル調整

下図は、回路図から、AF変調・CWキャリア・レベル調整部分を抜き出したもの。
 Q20 2SC1815がマイクアンプ
 R18 470kΩが CWキャリアレベル調整用抵抗
 R17 940kΩが AMモード時のキャリアレベル調整用抵抗
 Q16 2SK241の右側を上につながっている太実線が、Q7 NE602の Pin1(バイアス電圧1.4V)につながっている。

R18 470kΩのCWキャリアレベル調整抵抗値は、試作機(K19)(K20)ともに 470kΩでOKであったが、この(K21)では、7MHzバンドCWモードにおいて、次のような挙動を示した。  
KeyONにして、受信から送信に切り替えると、瞬時12W程度を出力し、その1秒後には、出力7Wに下がった。その原因を究明した結果は、Q20のコレクタ電圧は、受信時0Vなのが、送信に変わると+12Vになり、その電圧ステップ変動がコレクタの4.7uFを経由して、Q7 NE602の Pin1バイアス電圧1.4Vを 瞬時2Vに上昇させ、BMD NE602のバランスをくずし、最大限のキャリアを出してしまい、そして1秒後には、バイアス電圧は、1.4V+αに戻り、出力は定常7Wになってしまうというものであった。α;R18によるPin1,Pin2間の電位偏差

 この対策として、コレクタコンデンサーは、4.7uFから1uFに変更、R18を470kΩ→320kΩ(470k+1Mパラ)とした。 これにより、受送切替時の出力変動幅を抑え、かつ7MバンドCW通常出力が11Wとなった。

R17 940kΩが AMモード時のキャリアレベル調整用抵抗であるが、AMモード時は、CWモード出力10Wの 1/4 2.5Wに調整する。NE602の特性のバラつきにより、300kΩ<R17<1MΩ の間にあるようだ。 (K21)試作機では、470kΩであった。
 またAMモードでの変調度は、ジェネカバ受信機でモニターした結果では、マイクに3cmに近づけてしゃべると過変調歪あり、15cm程度離すと歪は、気にならないレベル、という状態であった。いずれにしてもこの (K21)のAMモード低電力変調の音質は、よくない、一応了解してもらえるというレベルだと理解してほしい。
NE602のAMモードでのPin1のマイクの適正音量レベルは、Max.22mVrms(-35dBm/1.5kΩ)とする。これを調整をするには、Q20のエミッタ抵抗R16 330Ωを調整する。 Q20のマイク電圧増幅率は、単純に コレクタ負荷抵抗(≒700Ω;1.2k+1.5kパラ) とエミッタ抵抗(=430Ω)に比率で Av=700/430=1.6倍 。
ECMマイクの感度は、例えば秋月で販売されている(ECM) WM-61A相当品であれば、「負荷抵抗2.2kΩで感度:-35dB」と記載されているので、音圧1Pa(94dB)で18mVとなる。 1Paの音圧が、どのようなものかというのがわからないが、Webを検索すると「沸騰するやかんの先端につけた笛のピーという音を15cm距離で測ると1Pa」とのこと。 またアマチュアのオペラ歌唱で100dB程度とのこと。比較的大きな声でマイク3cmでしゃべったときが、ピーク1Pa、15cm距離で-10dBC、6mVではないかと思う。このような想定で R16 330Ωを決定している。



●(K21)KP6mini+ (OP19)TXminiでの 10W出力スペクトラム;

各バンドの出力スペクトラムは、下図のとおり。 65〜60dBATTを入れて、GigaST5で観察。
各バンドの 高調波は概ね-50dBcを達成している。

 22MHz付近のヒゲは、GigaST5内部雑音。  GigaST5は、-20dBm以上の信号を入れると、内部で高調波を生成するようで、これ以上のレベル信号を、入力できない。

21MHzバンドは、-50dBc付近のすそ野が少しにぎやかなので、ジェネカバで21M+/-1MHzを ダイヤルスイープしてみると、21.89MHz付近に -52dBc程度の Spurがあった。 (K21)のダイヤルを1kHz動かして、Spurの移動方向傾向より推定すると、以下の周波数関係で発生しているようだ。

  21.053kHz, LSBで受信しているとき、Lo=IF 63.996 + 21.053=85.049kHz.
  IF 63.996x3 - Lo 85.049x2=21.890kHz・・これは、Mixer Q3 SN16913Pの混変調で発生。

試作機では、-50dBcはクリアしているのでそのままとしているが、このSpurを下げるには、
 ・Pin5のLoレベル、現回路では、500mVpp程度であるが、カタログ推奨の300mVpp程度に下げる(R46 470Ω→ 700Ω)
 ・Pin2のSigレベルを少し下げる(具体策は、Q16 2SK241のソース抵抗を 51Ω→100Ω→220Ω)

 終段出力との兼ね合いで、上記を調整してみる。

なお、各コイル、10K,7K のアース舌は、両側2か所全てを基板GNDに半田付けすること。Spur強度に大きく影響する。





● プログラムソース

プログラムソースは、マウス右クリックで「対象をファイルに保存」を選んで、ダウンロード。
PIC16F883用プログラム
 ◇ダウンロード GR53TV1.hex

●(OPTION-19) KP6miniTXリニアの詳細

◇miniTXリニアのページへ

"ひとつ前に戻る"には、ブラウザの「戻る」で戻ってください。

◇ホームページ インデックスへ戻る