(K12)KP6D SSB/CW 50MHz & HF 6バンド 5Wトランシーバー 

UP dated 2019.04.27 

● 携帯サブ機 KP6D SSB/CW 6バンド 50MHz/HF 5Wトランシーバー

50MHzバンドを主体に製作/調整した、HF帯 7M, 10M, 18M, 21M, 24M帯を含む 6バンド・トランシーバ(CW/SSB)5W機です。
A5サイズのタカチYM200(200Wx150Dx40H)に組み込みましたので、旅行、Biz Tripのカバンの中に入れて、携帯できるサブ機です。
 電源として ノートパソコンと共用で (広範囲12〜20)Vx2Aの ACアダプター電源が使えます。12VバッテリーでもOK。 

 従前のKP6 TRCVでは PLL局発であったものを  DDS局発とすることにより小型化を図りました。同時に、終段、FET RD16HHF1シングルアンプを このYM200ケース内に組み込み 4W(12V時)、6W(19V時)を出力します。 ◇KP6D TX/RX系統図.pdfのダウンロード 。 (K12)KP6Dキットとして 頒布◇PICの頒布

 前面パネルにはお決まりのAF Gain 、TX-SW、DDS基板と一体の2個の6PトグルSWによりLSB/USB/CW切替、Mic、Key Jack等。
バンド毎のRF BPFは、バリキャプチューニングですが、チューニング電圧プリセット回路基板を内蔵し、バンドごとの操作なしで、全バンドに同調します。 LCD下列右側7文字分は、Sメータに使用(送信時にはPwr計)。
 参考として◇YM200の前/後面パネルのツマミ配置図のダウンロード 。 印刷する際は、プリンターの「実際寸法、実寸法、100%」を選んで印刷。

バンドの切り替えは、LCD下側の Band SWを押すごとに 7M→10M→ 14M→ 18M→ 21M→ 24M→ 28M→ 50MHz→3.5MHzを循環します。局発は、全バンドに対応のDDSとしていますが、本試作機では下仕様のとおりの 6バンドの送受信対応となっています。

◆仕様◆
 外形寸法 YM200 200mmW x41mmH x 150mmD
 重量 1.0kg

 周波数範囲 送受信バンド  7M  10M  18M  21M  24.5M  50M の6Band
 電波形式 A1A(CW) , J3E(LSB/USB)
 周波数ステップ 最小50Hz 1kHz および 10kHz
 アンテナインピーダンス 50Ω不平衡、 BNCジャック

 定格電圧 13.5VDC (広範囲12-19V可)
 消費電流 13.5VDC受信時 0.3A
        13.5VDC送信5W出力時 1.5A 、 19VDC送信6W出力時 2.0A

 受信感度 0.25uV(-120dBm)以上
 スプリアス強度 -50dBc以下。50MHz帯においては -60dBc以下。

 Filter帯域(-6dB) 2.4kHz(SSB) , 1kHz(CW)
 Local OSC DDS(AD9834); 15MHz〜42MHz 
 CW運用時サイドト−ン 800Hz


◆下の写真; 上面カバーを外した内部
左側にRF Coverter部 100x100mm。右側がLPF基板100x75mm。その右わきに50MHz専用RXAmp 24x36mm。
前面側は、局発DDS発振基板 高37.5x100mm x30mm厚 をケース前面パネルにねじ止め。
ロータリーエンコーダの後ろのポリ袋は、BPFチューニング電圧プリセット基板を袋に入れて隙間に押し込んでいる。  



 ◆下;ケースの底蓋を外した状態。Generator基板と 左のアルミ板40x52mmは、RD16HHF1シングルアンプ5W。放熱は、外した底蓋アルミ150x200mmx1tへビス止め密着で放熱へ この下の空間はφ50mmx17mmtのスピーカー収納スペース。

 YM200ケースは、底のビスM2.6x4本を外すと 後面側が外れ、全基板が露出しメンテナンスが容易。

●KP6D A5サイズケースYM200(200W x150D x40mmH)への組込み

  YM200の高さ40mm(内寸38mm)に 2枚の基板を上下配列するために 専用の中シャーシPCB;198mm巾x104mmx 1tを準備しました。
 このPCBと各基板との隙間を 3mm(M3ナット厚)にすることにより、38mm高さの中に 上下に2枚の基板配置が可能となりました。 (15mm+3mmスキマ)x2 +1t=37mm<38mm 。

 下写真;中シャーシPCBに 下面側の Generator基板を取り付けたところ。
 この中シャーシPCBの上側には、RFConv基板、LPF基板を取り付け、各基板間の配線をして、全体まとまったものを YM200の中に押し込む、という構造です。

 中シャーシPCBの端には、
・TXB+の切替回路
 (左写真の上半分)、

・マイクアンプ(TA2011S)回路
 (下半分)

 をランド方式配線で組み上げます。

B+供給用DCジャックも この中シャーシPCBに直付けして 小型化を図りました。(左写真の一番下)


◆(下左写真)YM200のケース加工を済ませた状態。底は開口を設け、前後に2分割。
◆(下右写真)各基板は、中シャーシPCB(198x104mmx1t)の上下にM3ビス止め。
BNCコネクター、RCA Pin-Jackは、LPF基板に直接固定。各基板間の配線は、済ませているので、これで電源投入、調整ができる。
DDS基板とは、写真に見える二つの 9P、7Pフレームで配線結合。LPF切替配線は、18Pフレームで抜き差し可能な結線。


各基板は4つのビスを外すと、下写真のようにばらせる。解線していないので、これで電源投入・部分調整も可能。

●DDS局発 

  YM200の高さ40mm(内法寸法38mm)に入るように 高さは、37.5mmとしています。 ロータリーエンコーダ、CW/LSB/USB切替の 6PトグルSWも このDDS基板に直付けとし、基板間の配線を減らしました。
 この2つのトグルSWのナットで、このDDS基板を ケース前面に固定します。4つのタクトSWも この基板にM3x2本ビス止めです。

◆回路図を下記に。DDSは、AD9834をオーバークロックドライブですが、100MHzで作動させています。加藤OM/JA9TTT のBlogで実験データがあり、110MHzまでは正常に発振した、とのことですのでそれを参考にさせていただきました。

 DDS局発を使うときの留意点を二つ。
1)一つ目は、スプリアスへの考慮です。
 クロックを100MHz、発振周波数をfMHzとするときに、DDSの宿命として、2f、3f等・・の高調波以外に、クロック周波数からの折り返し周波数の 100-f、100-2f、100-3fを -20dBc〜-40dBcの強度で生成してしまいます。その対策として DDS-ICの出力に 遮断fc=44MHzの3段LPFを設置しました。
これにより、例えば50.1MHz受信時の、LO=38.104MHzについては その折り返しの100-38.104=61.896MHzは、十分に減衰します。この減衰がないと、変換後目的周波数38.104+11.997=50.101MHzの出力レベルに比較し、Lo;61.896-11.997=49.899MHzのスプリアスは 強度-25dBcで発生し、50MHzに近いので、BPFでは除去できず、法基準値を守れません。
 2倍の折り返しの 100-2f=100-2x38.104=23.792MHzは、減衰せずに、-30〜-40dBcで出現するので、23.792+11.996=35.788MHzのスプリアスは、RFConv.のBPFで 除去しなければなりません。

 また 局発Loの主信号fの上昇に対し、折り返し(100-f)群は、下降してくるので、バンド中に無数のクロスオーバーのビートを感じます。ただし ほとんどは、S0-1程度なので、これはやむなしとします。 なかにはS6程度でクロスオーバーする具体例としては、50.246MHz受信時にビートが発生します。Lo=f=38.2498MHzで 2倍の折り返し100-2f=23.5004(-35dBc)、この8倍高調波 188.0032MHz(-65dBc)と クロック2倍高調波200MHzとの 混変調波が DDS-IC内部で発生し、200-188.0032=11.9968MHz(-85dBc) が、RF Conv. DBM(ADE-1)経由で IF側に漏れ込み(-115dBc)ます「( )内レベル数値は推定値」 。LOの+10dBmに対して -115dBcなので-95dBm、これが 強度S6のビートとなります。
 このビートは、耳障りですが、エンコーダ1step=50Hzの変化で 音階は800Hz変化し 一瞬でXFの帯域外に去っていきますので、妥協することにします。

2)二つ目は、LO信号の15〜42MHzの範囲で 出力を極力+10dBmを維持しなければなりませが、増幅度一定のアンプで増幅すると 高域で6dBも下がってしまいます。 AD9834を規定以外の周波数で使用していることも一因かもしれません。
 その対策として アンプJ310のソース・パスコンを33pFに、AD8045の フィーバック・パスコンを220pFとし、低域のゲインを下げました。これで15〜42MHzの範囲で+9dBm〜+11dBmに収まりました。


◆AD9834 (0.65mmピッチ20Pin-TSSOP )の半田付け要領
まず、1か所Pin20のみ半田付けし、虫眼鏡で見ながらランドの中央にのるように位置決めをします(左写真のように)。 納得できたら、対角のPin10を半田付けします。 再度ランドの中央に乗っていることを確認し、ズレがあれば、修正します。
 そして Pin9から Pin20に向かって、リズミカルに連続して半田付けします。 そのとき、隣接しているピン同士がブリッジしても無視して、全ピンを一気に半田付けします。
 次に基板を180°回して、Pin1〜Pin10を一気に半田付けします。全ピン半田がブリッジした右の写真のようになります。
 基板を60°位傾けながら、余分な半田を融かし、基板を ストンと机上にタップすると、余分な半田が流れ落ちます。 そして、虫眼鏡で半田ブリッジのないことを確認します。


◆左図は、100MHzモジュールの
電圧 vs. 周波数/消費電流 の特性実測値です。
 電圧3.6Vで 100.0MHz発振、電流30mA でした。5Vにすると70mAも流れるので 電圧は、4V以下にするのが良いでしょう。
 LM317Lで電圧を微調整すれば、正確に100.0MHzにすることができそうですが、回路が煩雑になるので 試作機では、ダイオード1N4148x2(Δ1.6V降下)で 3.3V供給としました。すると周波数は、200Hzほど低くなります。  ダイオードの代わりに 赤色LEDを使うとΔ2.1V、供給2.9V、省電流17mAとなりますが、周波数は、400Hzほど低くなります。
 このずれは、周波数表示誤差となりますので、PIC16F819に補正プログラムを入れています。 RITボタンを押しながら、電源投入すると、LCDに0〜7の数値が表示されるので、適切な数字を選択し、Memoボタンを押すと、EEPROMに保存され、次回電源投入時以降に周波数補正が掛かります。 7MHz帯(Lo=19MHz)において、数値1につき、表示周波数を約0.1kHz下げます。


◆左図は、LCDに表示する Sメーターの回路 です。
 Gen基板の 端子S+(半固VR調整により常時0.4V)と S-(信号S0時0.4V〜S9++時0.01V)を Q4 LM358に接続して、レベル変換し、Pin7の出力電圧を PICのRA0に接続しています。
 LM358は、入力電圧 @、Aの差をとり、それを反転し、10倍演算しています。
送信時には、LPF基板の送信電力電圧を 端子Aに接続すると パワー計となります。 そのとき、A端子の電圧が、Gene基板の半固定VR1kΩによって低下しないように、Gen基板に 1kΩチップ(1k〜10kでOK)をパターンカットして追加します。 LPF出力端子と このDDS基板間の 10kΩは、LCD表示ドット巾が好みとなるように適宜調整します。

 Gen基板の S-端子電圧@とLCDの表示関係は、左表に示すとおりです。 PICのASMコードを公開していますので、コーディング数値(左表のBit)を変更すれば、表示状態を 変えることができます。 

● プログラムソース

プログラムソースは、マウス右クリックで「対象をファイルに保存」を選んで、ダウンロード。
PIC16F819用プログラム
 ◇ダウンロード KP6TD.hexのzipファイル

●RF Conv基板・・50MHz帯を主体に製作/調整

50MHz帯を含む回路図は、下図のとおり。
HF帯のみの場合は、従前KP6で紹介済ですが、 ◇RF Coverter基板のページへ

Cバンドには、7、10MHzを、Bバンドには、18、21、24MHzを、Aバンドにはバリキャップチューニングではなく、固定コンデンサーの50MHz帯を組み込みました。
HF帯に比べ、50MHz帯はゲインがかなり下がりますので、HF帯と同一出力とするために 50MHz帯の最適化を図ります。

 ◆第一に、T1, T2, T4の同調コイルは、既製品のK3766-10Kコイル(8t:5t)では、High-L過ぎるので、一部をほどき、1次:2次=6t:3tにまき直ます。そして同調容量は、15pF(T4は2SK241のドレイン容量があるので、10pF) とします。T2は、インピーダンスが高くなりすぎるようなので、3.4kΩ(6.8kチップx2)で Qダンプします。

 ◆第二に、T2の同調コイル側に「6pF+1SV231」を追加します。受信時には、T2の2次側にRXAmpJ310x2 のドレイン容量=8pFが ONダイオード経由で接続されていますが、送信時には、ダイオードOFFにより、それが切り離されます。T2の 1次:2次インヒ-ダンスの逆比4:1で影響し送信時に、2pF程度同調容量が小さくなり、10Kコイルのコア1回転分ほど同調がずれてしまいます。 これを補正するために 受信時のみ 「6pF+1SV231」にB+12Vを印加します。 これは、HFバンドでも同様ですが、HFバンドは、同調容量が大きいので、 送受での2pFの差は余り気になりません。

 ◆第三に、2SK241アンプについて、基板裏面に1個追加し、パラレル接続にします。これで 出力が10-20%増加します。同時に 2SK241ドレインと T4の接続は、0.001uFとします。 裏面のパターンカットを許すなら、22uH無しで T4の1次コイルに2SK241ドレインを直接接続するほうが良いでしょう。

上述の第1〜3の最適化を行っても、B(18-24M), C(7-10M)の出力は、相対的に大きいので、2SK241のソース抵抗を大きくして 全バンド同一出力になるように 調整しました。
 また このRFConv基板の後段に、RD16HHF1のシングル5Wアンプを接続する予定で、入力として0.3Wで十分なので、この基板の RD00HVS1xPPアンプは、NFB抵抗を 1kΩから 700Ωにして、基板出力を0.7Wとしました。
 RD00HVS1xPPアンプを 最終出力段とするならば、NFBを1kΩのままとして 1W TRCVとなります。

◆BPFバリキャプ・チューニング電圧 プリセット回路

 50MHz帯BPFは、固定コンデンサーなので BPFチューニング電圧は不用ですが、Bバンド(18,21,24M)、Cバンド(7,10M)のBPFは、チューニング電圧が必要です。  バンド切替時に、バンド毎のプリセット電圧を発生させる回路のこの基板を追加することにより、バンド切替時ごとのBPFチューニング操作が不用となります。

LPFのバンド切替回路(RFConv基板のHC595+2SC1815)と同様に PIC16F819からの信号(B+5V,Ser,RCK,SCK)により、バンド毎のTRを ONにし、それに接続している半固定VR(4.7kΩ)で プリセットされた電圧を出力します。
LM317Lの電圧降下が1.5V程度あり、リグ電圧B+12Vでは不足なので、専用のインバーター回路(MC34063A、+22V x20mA)を組み込みました。これによりリグ電圧には関係なくLM317Lには、常に+22Vが供給されます。
 例として、VR4.7kΩを 2kΩに調整すると
 1.25x(330Ω+2kΩ)/330Ω=8.8V がBPFチューニング電圧となります。


 このチューニング電圧プリセット回路は、26x50mmx 0.6tの小型基板に組込み、YM200ケースの空いた空間に押し込みました。

 オリジナル基板には、2回路DIP-SWの穴/ランドはありませんが、基板上に左写真のように取り付けました(回路図の枠外の部品)。 このようにすると
・DIP-SW OFFで バンドごとにプリセット電圧
・DIP-SW ONで 外部1kΩVRにより、1.3-14Vの可変ができ、BPF調整の際に便利。

 インバーターIC MC34063A(SOP-8P)、チップTRは、基板裏面に半田付け。
使わないバンドや、チューニング電圧最大(13V以上〜20V)で同調するBPF(試作機の例では、10M, 24M)は、チップTR,VR4.7kΩは、Openでかまいません。



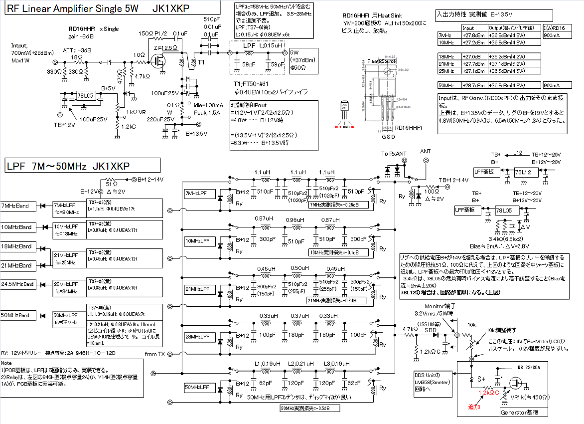
●RD16HHF1シングル 5Wアンプ & 50MHz LPF

◆RD16HHF1シングルアンプ基板(52x32mm)外形写真。
出力トランスは、FT50-#61に UEWφ0.4x10tバイファイラ巻きの 1:4トランスとしました。

 基板の右下が入力(0.7W)で、右上が出力(5W)です。 HF帯のみの場合は不用ですが、50MHz帯を含む場合は、それに隣接して生基板LPFx1段(黄色のコアT37-6)を追加します。
 HF帯のスプリアス規制値は-50dBcで 後段のLPF群のみでクリアしますが、50MHz帯の規制値-60dBcには、一歩足りないので、この1段LPFを追加しました。

この基板の裏側には、簡易放熱板として40x52mmx1tアルミ板を取付けています。 YM200ケース底板へは、この基板を上下方向180°反回転して 左に見えるケミコンの頭に見えるM2ナットで ねじ止めします。

◆回路図を下に示します。
   入力段には、-3dBのATTを取り付けます。 RD16HHF1の 絶対最大許容入力は 0.8Wです。一方RF Conv出力段のRD00HVS1xPPアンプは、最大で 1.5Wの能力があります。 経験的にRDシリーズFETは、過大入力に弱いようなので、万一にもFETを破損させないように、入力段ATTは、必ず挿入します。
 このアンプは、5W/B+13.5V時 ですが、電圧を20Vまで上昇させると 50MHz帯で7W程度、7MHz帯では9Wを出力します。
 簡易放熱板のみでは不足なので、上述のYM200ケース裏面写真に示すように、簡易放熱板をケース底蓋150x200アルミと M3ビスで締結するようにして、底蓋へ放熱しています。  短時間、30秒間程度の短時間調整のときは、簡易放熱板のみで放熱可能です。

50MHz LPFについては、回路図の下で詳述します。  

◆ 50MHzLPF 性能評価品
 50MHz帯LPFは、HF帯用よりも性能が悪くなる傾向があるので、単体基板に組んだ性能評価品を製作し、いろいろと実験をしました。この性能評価品と同等のものをリグに組み込んでいます。
コンデンサは、性能のよいディップマイカとします。60pF,120pFをまとめて入手できましたのでOPTION-11キット(50MHz部品)に含めました。

 L1とL2はT37-6(黄)にUEWφ0.8を7t巻き、0.19uHとします。 T37-6は、AL値=30なので計算では、30x(7/100)^2=0.147uHですが、実測すると 3割増しの0.19uHでした。 巻き数が少ないほどに、また周波数が高いほどに 計算値から乖離するようです。 更に注意することは、7tをコア全周に亘り 均一に巻くことです。 密着巻きにすると0.19uHから 更に10%増しの0.21uHとなってしまいます。
 線材は、φ0.4ではなく、φ0.8としました。表皮効果抵抗を少しで小さくするためですが、Qを実測したところ 60程度で大差ないようなので気休めかもしれません。LPF挿入損失の差は、0.1dBほど良好に感じます。
 L2は、空芯コイル UEWφ0.8x9t(L=10mm) 0.21uHとします。 最初T37-6で8t巻いたのですが0.25uHでインダクタンス過多です。 T37-6では、"帯に短し襷に長し"ですので、空芯コイルとしました。 磁束の漏れはありますが、前後コアコイルなので、その影響による悪化は少ないようです。


 50MHz LPF減衰特性

 GigaStV5のTGで測定したのが、左図です。
 2倍高調波の100MHzでは、40dBcほど減衰しています。 これとは別に 100MHz+10dBmでの通過損失を AD8307電力計で測定したところ-44dBcでした。
また50.1MHz 5Wを通過させたときの挿入損失は、-0.0dBでした。

 RD16HHF1シングルアンプの 2倍高調波のレベルは、約-15dBcですので、このLPF通過後 2倍高調波スプリアスは、計算では、-59dBcで 50MHz帯の法の基準 -60dBcに一歩たりません。
それをクリアするために、RD16HHF1シングルアンプ基板の直後に 1段LPF(約-10dBc)を追加し、総合特性として -60dBc以下を達成させます。  

●その他 各部PCB基板の詳細

各基板の詳細は、以下のページへ。
Gen基板は、従前のPLL局発のKP6と同じものですが、◇Genrator基板のページへ

本機を1W機として 外部に接続するアンプとして ◇OPTION-9/リニアアンプ10Wのページへ

参考まで HF帯のみ機の場合の ◇RF Coverter基板のページへ

参考まで HF帯のみ機の場合の ◇LPFのページへ

参考まで ◇KP6トランシーバの改善点、追加データ、Hint、アクセサリーetc. 2017.09.20



●外付け RD16HHF1プッシュプル リニアアンプ 10/16W

OPTION-9 の基板を使い、外付けRD16HHF1プッシュプルアンプをつくりました。
 KP6Dリグは、内部RD16HHF1シングルアンプ付きで出力5W、アンプなしで出力1Wです。
1W/5Wを 10Wに増幅するリニアアンプで YM150に組み込みました。通常の使い方とは逆で、ケースの上蓋に放熱器70x98x17H、アンプ基板を取り付けています。  左が外形。下の写真が内部です。

この試作例では、入力側に-6dBのATTを挿入し、4W入力時に RD16HHF1xPPへの入力が1Wになるようにしています。 RD16の許容最大入力は、0.8Wx2=1.6Wなので いかなる場合でも それを越えないように ATTを入れます。
 KP6D側がRD16アンプなしの1Wであれば、この ATT-6dBは、省略できます。


◆回路図を下に示します。
入力ポートには、自動的に リニアON/OFFするキャリコンを付けています。 KP6DよりTB+が供給できれば、キャリコンを省略できます。

入力4WでB+13.5V時に 出力は、10W(50MHz)、16.6W(7MHz)となりました。
B+19Vとすると、14.8W(50MHz)、20.9W(7MHz)となります。

KIT付属の出力トランスはコンベンショナル型ですが、この試作機は、純伝送線路トランス型T7,T8としました。 出力は、大差ありませんが、効率ηは2割ほど良くなります。
また、7MHz帯においては、入力を限界と思われる10W(RD16xPPへは2.5W)迄上げると B+19Vで Pout=46.5dBm(45W)、I=3.5A(η=67%)となり10Wとは、別世界です。

"ひとつ前に戻る"には、ブラウザの「戻る」で戻ってください。

◇ホームページ インデックスへ戻る